Каталог товаров
Блог
Подписка на новости магазина
Подпишитесь на рассылку и получайте свежие новости и акции нашего магазина.
Блог
Виды ковшей для экскаваторов: особенности, отличия и практические нюансы эксплуатации
Какой ковш нужен именно для вашей задачи? В статье разбираются основные виды ковшей для экскаваторов, их конструктивные отличия, особенности работы и практические нюансы, которые напрямую влияют на производительность и ресурс техники.
Алюминиевые сходни для мини-экскаваторов: надёжная и безопасная погрузка без лишних рисков
Алюминиевые сходни делают погрузку мини-экскаватора быстрой, безопасной и удобной. В статье — ключевые преимущества, советы по выбору и объяснение, почему качественные трапы нужны каждому владельцу техники до 10 тонн.
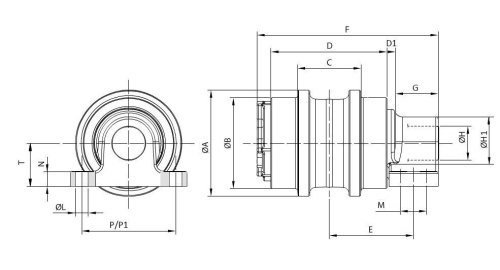
Профилактика преждевременного износа гусениц
Рекомендуется ежедневный визуальный осмотр натяжения гусениц и в целом детали ходовой части






















В корзину
Купить в 1 клик
Сравнение
В избранное



Под заказ



















